当前位置:部门 > 区水利局 > 政务公开 > 法定主动公开内容 > 行政许可 > 办理结果
  • [ 索号 ]
  • 1150022600934132X0/2025-00184
  • [ 发文字号 ]
  • 荣水保(承)字〔2025〕012号
  • [ 主题分类 ]
  • 水利、水务
  • [ 体裁分类 ]
  • 行政许可
  • [ 成文日期 ]
  • 2025-10-27
  • [ 发布日期 ]
  • 2025-10-27
  • [ 发布机构 ]
  • 荣昌区水利局
  • [ 有性 ]
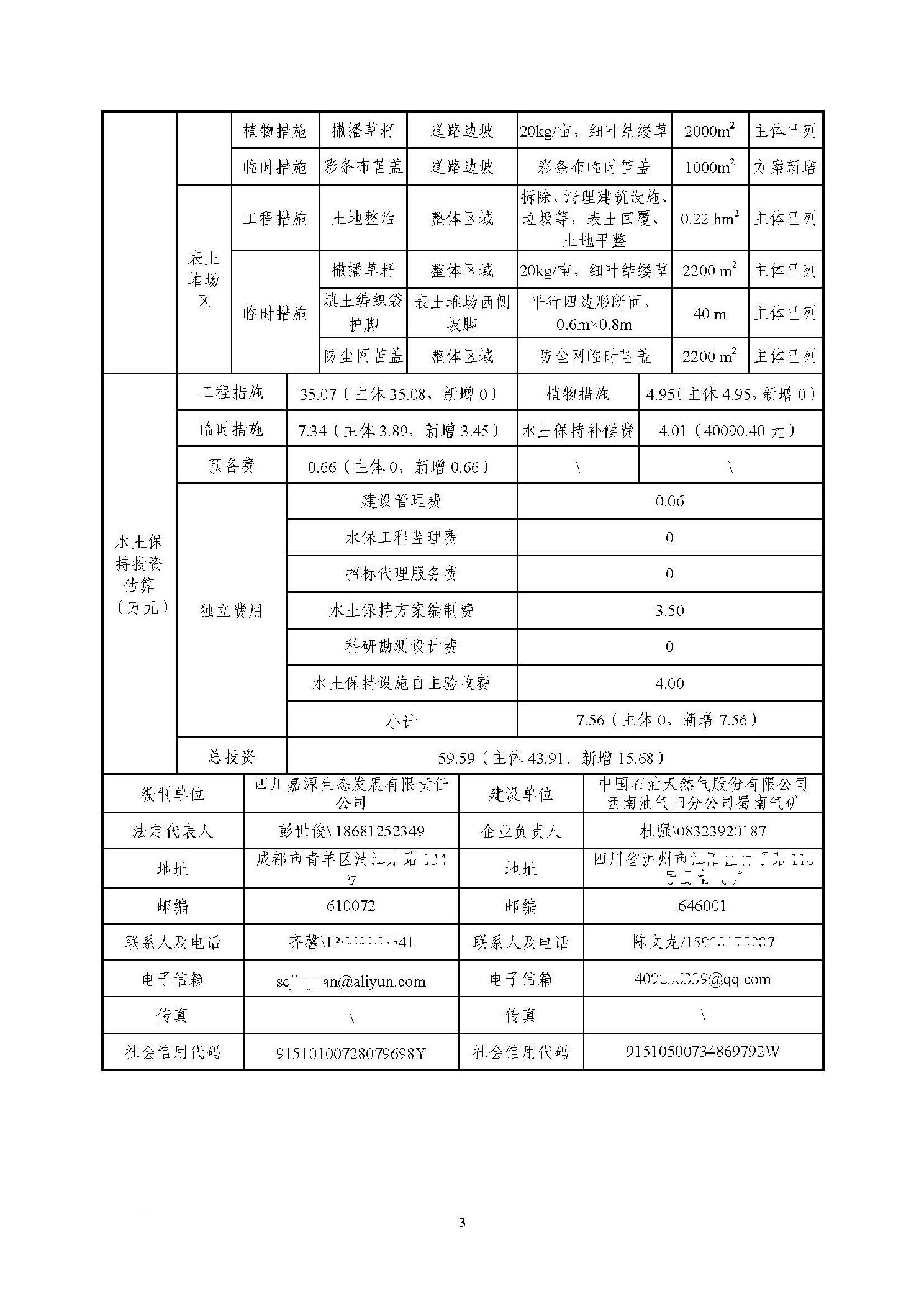
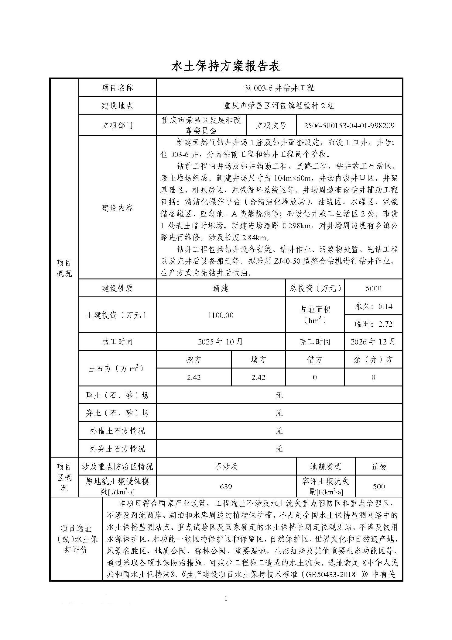
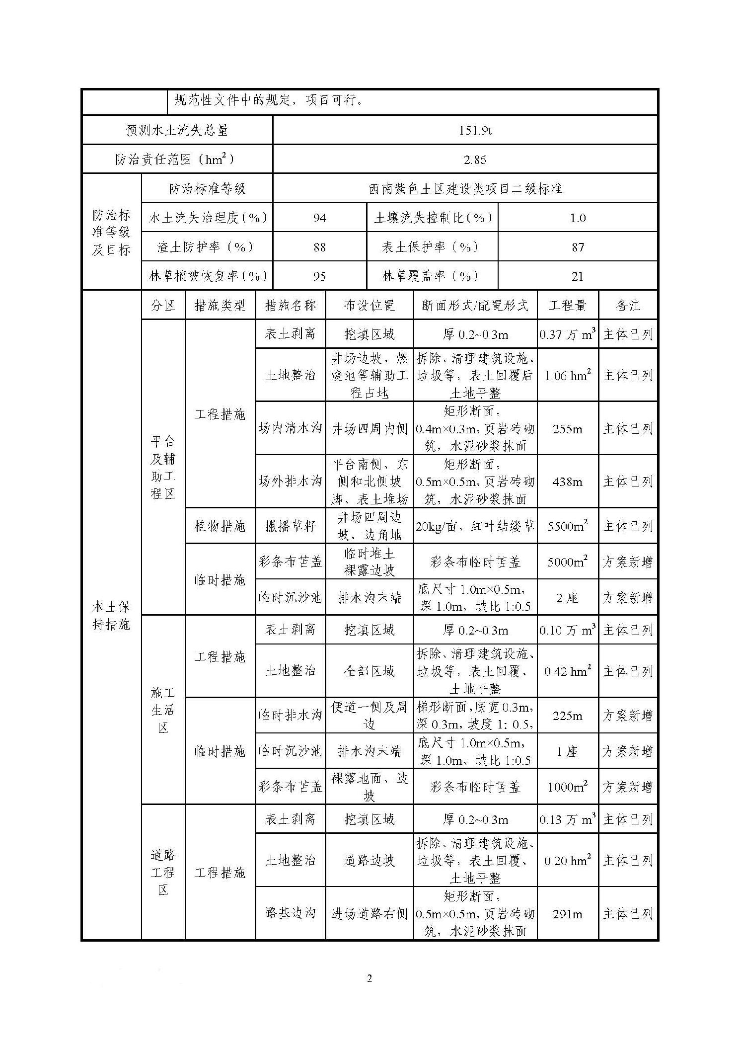
包003-6井钻井工程水土保持方案报告表(荣水保(承)字〔2025〕012号)
日期:2025-10-27
字体:【 默认 超大
分享:


版权所有:重庆市荣昌区人民政府

主办单位:重庆市荣昌区人民政府办公室

承办单位:重庆市荣昌区数字化城市运行和治理中心

微信公众号

政务微博

ICP备案:渝ICP备2021006398号-1 网站标识码:5002260001 渝公网安备:50022602000107号
提示 智能机器人形象
智能机器人形象
智能问答 政务服务 政策解读 政策问答 便民地图