当前位置:部门 > 区住房城乡建委 > 政务公开 > 法定主动公开内容 > 预算/决算 > 决算公开
  • [ 索号 ]
  • 11500226MB1686630N/2022-00059
  • [ 发文字号 ]
  • [ 主题分类 ]
  • 城乡建设、环境保护
  • [ 体裁分类 ]
  • 财政预算、决算
  • [ 成文日期 ]
  • 2022-10-17
  • [ 发布日期 ]
  • 2022-10-17
  • [ 发布机构 ]
  • 荣昌区住房城乡建委
  • [ 有性 ]
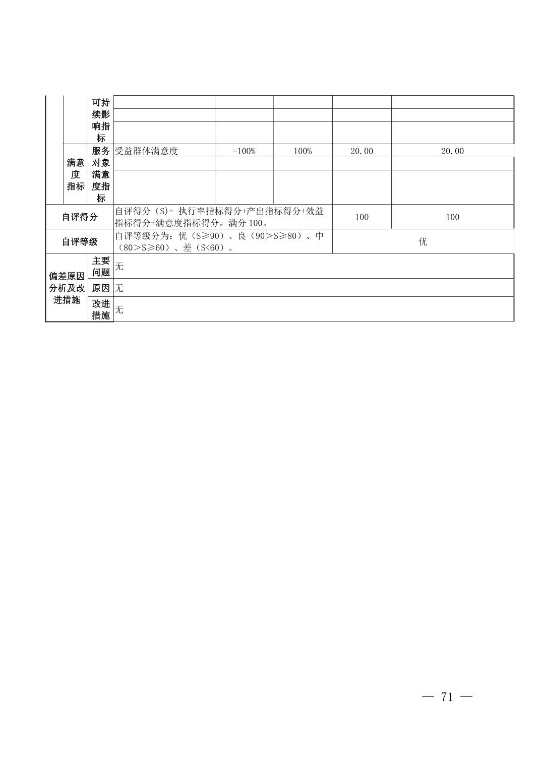
重庆市荣昌区住房和城乡建设委员会2021年度部门决算情况说明
日期:2022-10-17
字体:【 默认 超大
分享:


版权所有:重庆市荣昌区人民政府

主办单位:重庆市荣昌区人民政府办公室

承办单位:重庆市荣昌区数字化城市运行和治理中心

微信公众号

政务微博

ICP备案:渝ICP备2021006398号-1 网站标识码:5002260001 渝公网安备:50022602000107号
提示 智能机器人形象
智能机器人形象
智能问答 政务服务 政策解读 政策问答 便民地图