当前位置:街镇 > 昌元街道 > 政务公开 > 政府信息公开目录 > 惠民惠农资金
  • [ 索号 ]
  • 11500226009324298N/2026-00013
  • [ 发文字号 ]
  • [ 主题分类 ]
  • 其他
  • [ 体裁分类 ]
  • 其他
  • [ 成文日期 ]
  • 2026-02-05
  • [ 发布日期 ]
  • 2026-02-05
  • [ 发布机构 ]
  • 荣昌区昌元街道
  • [ 有性 ]
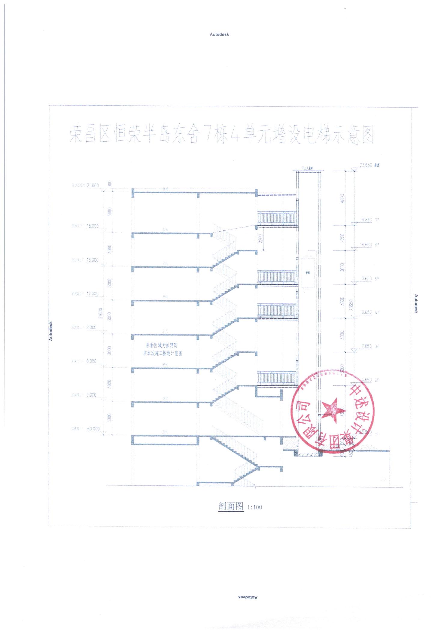
关于荣昌区恒荣半岛东舍7栋4单元增设电梯的公示
日期:2026-02-05
字体:【 默认 超大
分享:


版权所有:重庆市荣昌区人民政府

主办单位:重庆市荣昌区人民政府办公室

承办单位:重庆市荣昌区数字化城市运行和治理中心

微信公众号

政务微博

ICP备案:渝ICP备2021006398号-1 网站标识码:5002260001 渝公网安备:50022602000107号
提示 智能机器人形象
智能机器人形象
智能问答 政务服务 政策解读 政策问答 便民地图